B&C Speakers
B&C Speakers - 8NDL64 16 Ohm Speaker
B&C Speakers - 8NDL64 16 Ohm Speaker
Impossible de charger la disponibilité du service de retrait
Stock Magasin Lens : Rupture
Stock Internet : Nous contacter
Le B&C Speakers 8NDL64 16 Ohm est un haut-parleur de 8 pouces conçu pour offrir une restitution sonore précise et dynamique, adapté à une large gamme d’applications audio. Sa conception intègre une structure magnétique en néodyme de type inside slug, optimisée pour maximiser le flux magnétique tout en réduisant le poids du moteur. Cela permet d’assurer une réponse rapide et un excellent contrôle des transitoires.
La bobine mobile en cuivre de 64 mm garantit une bonne dissipation thermique et une faible compression de puissance, même lors d’une utilisation prolongée à des niveaux élevés. Sa réponse en fréquence s'étend de 80 Hz à 4 kHz, ce qui permet de l’utiliser aussi bien dans des configurations de basses fréquences que dans des systèmes destinés aux médiums.
Avec une sensibilité de 97 dB, ce haut-parleur offre un rendement élevé, optimisant l’efficacité de la puissance appliquée. Un capuchon en cuivre intégré à l’assemblage magnétique améliore la linéarité de la réponse dans les hautes fréquences.
Sa construction robuste comprend un cône traité avec un revêtement waterproof sur la face avant, garantissant une résistance accrue à l’humidité. La suspension à double rouleau et l'araignée optimisée assurent un contrôle stable du déplacement de la membrane, permettant une performance fiable sur toute la plage de fréquences.
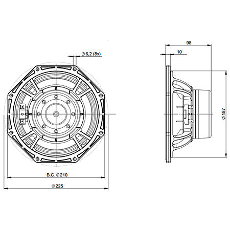
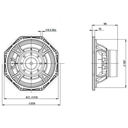
Le B&C 8NDL64 est conçu pour être monté dans un caisson bass-reflex de 10 litres, accordé à 85 Hz, offrant ainsi un équilibre optimal entre extension des basses et contrôle des transitoires. Avec un diamètre total de 225 mm et un diamètre de découpe de 187 mm, il peut être facilement intégré dans des enceintes compactes ou modulaires. Son faible poids de 2,6 kg et sa profondeur de 95 mm facilitent son installation dans des designs variés, faisant de lui un choix idéal pour des applications nécessitant une articulation claire des médiums et une projection sonore efficace.
- Modèle : B&C Speakers 8NDL64 16 Ohm
- Diamètre : 8" (20 cm)
- Puissance continue : 350 W
- Puissance admissible en crête : 700 W
- Impédance nominale : 16 Ω
- Impédance minimale : 14,4 Ω
- Sensibilité : 97 dB
- Réponse en fréquence : 80 Hz - 4 kHz
- Bobine mobile : 64 mm (2,5") en cuivre
- Inductance : 1,03 mH
- Densité de flux : 1,25 T
- Profondeur de la bobine : 14 mm
- Profondeur de l’entrefer : 8 mm
- Fréquence de résonance (Fs) : 73 Hz
- Facteur de qualité total (Qts) : 0,24
- Facteur de qualité électrique (Qes) : 0,25
- Surface émissive (Sd) : 220 cm²
- Déplacement linéaire maximal (Xmax) : 4,5 mm
- Déplacement admissible (Xvar) : 5,5 mm
- Volume de l’enceinte (Vas) : 11,8 dm³
- Facteur de force (Bl) : 24 Tm
- EBP : 292 Hz
- Charge recommandée : 10 litres, accordée à 85 Hz
- Forme du cône : Exponentielle
- Matériau du spider : Simple
- Traitement du cône : Waterproof (face avant)
- Design du pôle : T-Pole
- Forme de la suspension : Double rouleau
- Type d’aimant : Néodyme Inside Slug
- Montage : 8 trous de fixation sur un diamètre de 210 mm
- Diamètre total : 225 mm
- Diamètre de découpe : 187 mm
- Épaisseur de la bride et du joint : 10 mm
- Volume occupé par le haut-parleur : 1,5 dm³
- Profondeur : 95 mm
- Dimensions du colis : 255 x 255 x 150 mm
- Poids net : 2,6 kg
- Poids à l’expédition : 3,05 kg
- Conditionnement : 1 pièce
Je veux partager cette fiche à un ami
